Hersteller: GF Piping Systems

+GF+ ELGEF Plus T 90° reduziert PE100 d25-400mm / SDR11 / mit angeschweisster Reduktion / Langschenklige Version, d mm: 315, Art.Nr.: 753201109

CHF 1’566.40
CHF 1’566.40
CHF 2’237.70

Artikelnummer: 753201109

+GF+ Code: 753.201.109

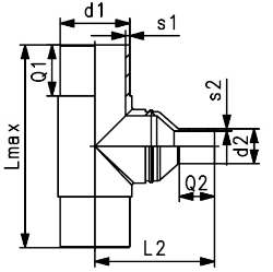
d1 mm: 280

z mm: 690

z1 mm: 480

L mm: 150

e mm: 28.6

e1 mm: 25.4

Serie: 5

Nenndruck max. bar: 16

Artikelnummer: 753201109
*
*
*