Hersteller: SERTO AG

SERTO Schwenkverschraubungen SERTO SO 52824 Edelstahl rostfrei Grösse: 6‑ 1/8, Art.Nr. : 058.2841.100

CHF 87.10

Artikelnummer: 058.2841.100

Type:SO 52824-6-1/8

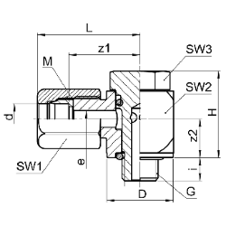
d:6 mm

G:1/8 " (zoll)

Druck (PN):200 bar

M:10x1.0

SW1:12 mm

SW2:16 mm

SW3:14 mm

D:18.0 mm

L:26.0 mm

H:23.0 mm

i:6.5 mm

O-Ring:9.25x1.78

z1:18.0 mm

z2:10.5 mm

e:4.5 mm

Gewicht (kg/100):4.900 kg

Rohranschluss:metrisch

Material:Edelstahl

Werkstoff:1.4571 (Edelstahl)

Anschlussart 1:Rohranschluss (d)

Anschlussart 2:Gewinde zoll, zyl. (G)

10119480

Artikelnummer: 058.2841.100

d: 6

G: 1/8

bar: 200

H: 23.0

i: 6.5

z1: 18.0

z2: 10.5

e: 4.5

*
*
*

d: 6

G: 1/8

bar: 200

H: 23.0

i: 6.5

z1: 18.0

z2: 10.5

e: 4.5